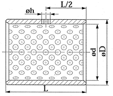
Bimetal_SWPB